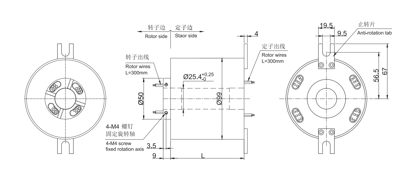
NT025系列是一款通孔直徑為25.4mm整體式精密導電防水滑環,主要應用于360度連續旋轉且需要保證電源,信號不能中斷的場合:多用于繞線機、激光掃描儀、管內攝影機、展覽/顯示設備、售餐機滑環、ccd視覺檢測設備、 智能視覺系統、自動化組裝機、旋轉LED燈、貼標機、實驗設備、生物檢測儀器等任意需要360°旋轉導電或傳輸各種控制信號的裝置。

| 技術參數 | ||||
| 機械技術指標 | 電氣技術指標 | |||
| 參數 | 數值 | 參數 | 數值 | |
| 額定轉速 | 100RPM | 功率 | 信號 | |
| 工作溫度 | -30°C~80°C / -45°C-80°C | 額定電壓 | 0~690VAC/VDC | 0~440VAC/VDC |
| 工作濕度 | 0~85% RH / 0-97% RH | 絕緣電阻 | ≥1000MΩ/1000VDC | ≥1000MΩ/500VDC |
| 殼體材料 | 鋁合金/鋁合金+不銹鋼 | 導線規格 | 1mm2線纜 | 0.2mm2線纜 |
| 防護等級 | IP66/IP68 | 導線長度 | 標準長度300mm(可據要求調整) | |
| 絕緣強度 | 1000VAC@50Hz,60s | |||
| 動態電阻變化值 | <0.01Ω | |||
經過多年的經驗積累,默孚龍擁有20萬多個產品3D圖檔數據庫,
由于互聯網的開放性和同行競爭,需要產品3D圖檔的客戶請留下電子郵箱或者QQ。
審核完聯系方式后,我們的系統將在5分鐘內把3D自動發動到您的電子郵箱!