工業機器加工中心、旋轉工作臺、重型設備塔臺、電纜卷盤、包裝設備、磁性離合器、工藝控制設備、旋轉傳感器、緊急照明設備、機器人、展覽/顯示設備、醫療設備、旋轉門等;

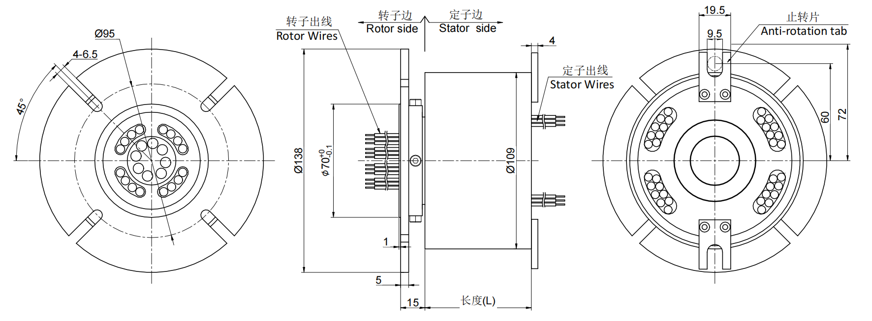
*比如MZA109-6B3-2D8, 其中6B3-2D8是指:6組3路20A(即18路20A)+2組1根CCLINK(3芯)電纜
| 技術規格參數 | ||||
| 機械技術指標 | 電氣技術指標 | |||
| 參數 | 數值 | 參數 | 數值 | |
| 工作壽命 | 1500W | 功率 | 信號 | |
| 額定轉速 | 1~300RPM | 額定電壓 | 0~380VAC/VDC | 0~380VAC/VDC |
| 工作溫度 | -30℃~80℃ | 絕緣電阻 | ≥500MΩ/1000VDC | ≥500MΩ/500VDC |
| 工作濕度 | 0~85% RH | 導線規格 | 根據客戶的選型模塊而定 | 根據客戶的選型模塊而定 |
| 接觸材料 | 貴金屬 | 導線長度 | 標準長度300mm(可據要求調整) | |
| 殼體材料 | 鋁合金 | 絕緣強度 | 500VAC@50Hz,60s | |
| 轉動扭矩 | 0.1N.m;+0.03N.m/6路 | 動態電阻變化值 | <0.01Ω | |
| 防護等級 | IP51 | |||





經過多年的經驗積累,默孚龍擁有20萬多個產品3D圖檔數據庫,
由于互聯網的開放性和同行競爭,需要產品3D圖檔的客戶請留下電子郵箱或者QQ。
審核完聯系方式后,我們的系統將在5分鐘內把3D自動發動到您的電子郵箱!