工業機器加工中心、旋轉工作臺、重型設備塔臺、電纜卷盤、包裝設備、磁性離合器、工藝控制設備、旋轉傳感器、緊急照明設備、機器人、展覽/顯示設備、醫療設備、旋轉門等;

| 產品等級表 | |||
| 產品等級代號 | 最高轉速 | 工作壽命 | 接觸材料 |
| VC(通用級) | 100RPM | 500萬轉 | 貴金屬 |
| VD(工業級) | 300RPM | 2000萬轉 | 鍍金-鍍金 |
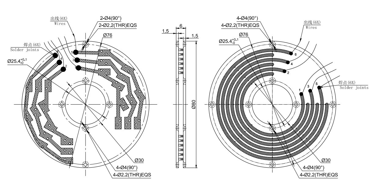
| 技術規格參數 | ||||
| 機械技術指標 | 電氣技術指標 | |||
| 參數 | 數值 | 參數 | 數值 | |
| 工作壽命 | 參考產品選型等級 | 功率 | 信號 | |
| 額定轉速 | 參考產品選型等級 | 額定電壓 | 0~440VAC/VDC | 0~240VAC/VDC |
| 工作溫度 | -30℃~80℃ | 絕緣電阻 | ≥1000MΩ/500VDC | ≥1000MΩ/500VDC |
| 工作濕度 | 0~85% RH | 導線規格 | AWG18#硅膠線 | AWG24#硅膠線 |
| 接觸材料 | 參考產品選型等級 | 導線長度 | 標準長度300mm(可據要求調整) | |
| 殼體材料 | 鋁合金 | 絕緣強度 | 500VAC@50Hz,60s | |
| 轉動扭矩 | 0.05N.m;+0.03N.m/6路 | 動態電阻變化值 | <0.01Ω | |
| 防護等級 | IP51 | |||




經過多年的經驗積累,默孚龍擁有20萬多個產品3D圖檔數據庫,
由于互聯網的開放性和同行競爭,需要產品3D圖檔的客戶請留下電子郵箱或者QQ。
審核完聯系方式后,我們的系統將在5分鐘內把3D自動發動到您的電子郵箱!