CCTV, 高速球,云臺,測量儀器儀表等行業,通常也叫做高速球專用滑環, 云臺滑環, 價格便宜, 路數配置靈活,另外應用于高速離心機滑環 高速變位機滑環,高速轉臺滑環,管內攝影機,安檢專用設備滑環,加熱管旋轉導電滑環,焊接設備滑環,旋轉門滑環,機械手臂導電滑環,展覽/顯示設備,海運設施,圓形針織機,電阻切割機等等。;

| 產品等級表 | |||||
| MC190 和 MC1909的區別: | |||||
| 型號 | 最高轉速 | 產品壽命 | 扭矩 | 殼體材料 | 電氣噪音①@10Rpm |
| MC190 | 250RPM | >1000萬 | 0.02 N·m | 工程塑料 | 10mΩ |
| MC1909 | 1000RPM | >2000萬 | 0.005 N·m | 工程塑料+鋁合金 | 4mΩ |
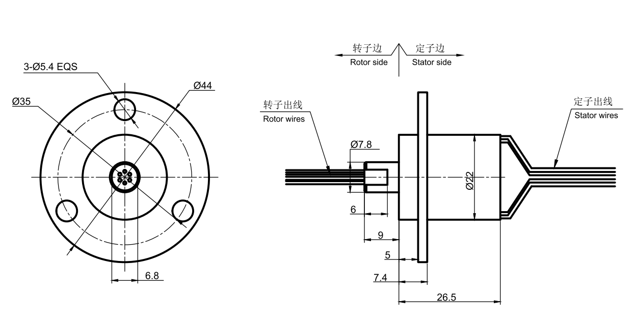
| 技術規格參數 | ||||
| 機械技術指標 | 電氣技術指標 | |||
| 參數 | 數值 | 參數 | 數值 | |
| 工作壽命 | 見產品等級表 | 功率 | 信號 | |
| 額定轉速 | 見產品等級表 | 額定電壓 | 0~240VAC/VDC | 0~240VAC/VDC |
| 工作溫度 | -30℃~80℃/-45℃~80℃ | 絕緣電阻 | ≥100MΩ/500VDC | ≥100MΩ/500VDC |
| 工作濕度 | 0~85% RH/0~97% RH | 導線規格 | AWG#28 teflon | AWG#28 teflon |
| 接觸材料 | 見產品等級表 | 導線長度 | 標準長度300mm(可據要求調整) | |
| 殼體材料 | 見產品等級表 | 絕緣強度 | 500VAC@50Hz,60s | |
| 轉動扭矩 | 0.05N.m;+0.01N.m/6路 | 動態電阻變化值 | <0.01Ω | |
| 防護等級 | IP51/IP65 | |||





經過多年的經驗積累,默孚龍擁有20萬多個產品3D圖檔數據庫,
由于互聯網的開放性和同行競爭,需要產品3D圖檔的客戶請留下電子郵箱或者QQ。
審核完聯系方式后,我們的系統將在5分鐘內把3D自動發動到您的電子郵箱!